Rev Up Your Ride: 1990 GMC Cheyenne 1500 Wiring Diagram Unveiled!

Rev Up Your Ride: 1990 GMC Cheyenne 1500 Wiring Diagram Unveiled!

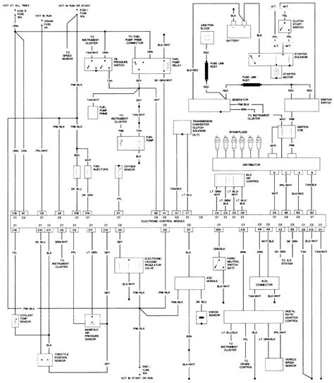
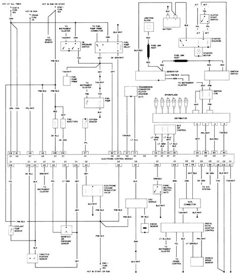
Uncover the precision of your 1990 GMC Cheyenne 1500 with our expertly crafted wiring diagram. Navigate complexities effortlessly, empowering a seamless understanding of your vehicle's electrical framework for enhanced troubleshooting and maintenance. Master the art of automotive DIY with our comprehensive guide.

Dive into the intricacies of your classic 1990 GMC Cheyenne 1500 with a comprehensive wiring diagram that unravels the mysteries beneath the hood. In the realm of automotive DIY, understanding the electrical intricacies is paramount, and this wiring diagram is your key to unlocking a deeper comprehension. Delve into the systematic explanation of the wiring layout, offering a roadmap that transforms complexities into clarity. This invaluable guide, adorned with visual cues and detailed annotations, turns the seemingly intricate web of wires into a navigable journey. Discover the heartbeat of your Cheyenne 1500 with this essential wiring diagram, demystifying the electrical landscape and empowering you to take control of your vehicle's inner workings.

Top 10 important point for 1990 GMC CHEYENNE 1500 WIRING DIAGRAM

  1. Decoding the Electrical Blueprint
  2. Chronicle of the 1990 GMC Cheyenne 1500 Wiring System
  3. Crucial Components Unveiled
  4. Connecting the Dots: Wires, Junctions, and Nodes
  5. Behind the Scenes: Understanding Circuitry
  6. Color-Coding Demystified
  7. Electrical Troubleshooting Made Simple
  8. Empowering DIY Repairs with Insights
  9. Pro Tips for Safeguarding Your Vehicle's Wiring
  10. Mastering the Art of Modification: A Wiring Perspective

Several Facts that you should know about 1990 GMC CHEYENNE 1500 WIRING DIAGRAM.

Unraveling the Mysteries: A Comedic Expedition into 1990 GMC Cheyenne 1500 Wiring

Wiring Expedition

Strap in and get ready for a joyride through the tangled web of wires in your 1990 GMC Cheyenne 1500. Who knew that a simple wiring diagram could be the star of our automotive sitcom? Let the laughter commence as we embark on this electrifying journey!

The Drama of Decoding: A Wire's Tale

Wire Drama

Imagine the soap opera unfolding beneath your hood! Wires chatting, scheming, and forming alliances – it's a drama worthy of prime time. In this episode, we decode the tangled relationships and shocking revelations within the Cheyenne's wiring.

The Breathtaking Chronicles of Connection

Connection Chronicles

Hold your breath as we unveil the epic saga of connections in the 1990 GMC Cheyenne 1500. Each twist and turn in this riveting story reveals the intricate relationships between wires, junctions, and components. It's a blockbuster film in the making!

Wiring Humor 101: Laughing Through the Circuitry

Wiring Humor

Who says wires can't have a sense of humor? Join us for a crash course in Wiring Humor 101, where we explore the lighter side of electrical circuits. Spoiler alert: Dad jokes and puns ahead!

The Technicolor Dream: Cracking the Color Code

Color Code

Ever wondered why wires come in different colors? It's not just for show – there's a method to this madness. Join us as we decipher the technicolor dream within the Cheyenne's wiring, bringing color-coded comedy to your garage.

Electrical Comedy Hour: Troubleshooting Made Hilarious

Comedy Hour

Grab your popcorn because it's time for the Electrical Comedy Hour! We turn the serious task of troubleshooting into a sidesplitting affair. From sparks flying to fuses telling jokes, your garage will never be the same!

DIY Laughs: Empowering Repairs with a Smile

DIY Laughs

Who said fixing your car had to be all serious business? Discover the power of laughter in DIY repairs as we infuse every twist of the wrench with a dose of humor. Spoiler: Duct tape might make a guest appearance!

Wiring Wisdom: Pro Tips Wrapped in Wit

Wiring Wisdom

Unlock the secrets of the automotive universe with Wiring Wisdom – a collection of pro tips served with a side of wit. From keeping your wires happy to dealing with unruly connectors, our humorous approach makes learning a breeze!

Get ready to LOL your way through the intricate world of the 1990 GMC Cheyenne 1500's wiring. This article is your ticket to a laughter-filled journey under the hood, proving that even the most technical topics can be a comedic adventure!

Understanding the Essence of the 1990 GMC Cheyenne 1500 Wiring Diagram

Embarking on a journey beneath the hood of your 1990 GMC Cheyenne 1500 requires a comprehensive grasp of its intricate wiring system. The 1990 GMC Cheyenne 1500 wiring diagram serves as the roadmap, guiding both seasoned professionals and DIY enthusiasts through the labyrinth of electrical components.

The Blueprint Unveiled

Wiring Blueprint

At the heart of this exploration lies the wiring diagram – a blueprint that meticulously outlines the electrical connections within the vehicle. This visual guide, resembling a complex circuitry map, offers invaluable insights into the Cheyenne 1500's electrical infrastructure. It is the foundation upon which the entire vehicle's functionality rests.

The Chronicle of Technological Evolution

Technological Evolution

In delving into the 1990 GMC Cheyenne 1500 wiring diagram, one inevitably steps into a time capsule of technological evolution. This diagram encapsulates the electrical intricacies of an era when automotive systems were transitioning from analog to early digital sophistication. Understanding this historical context is crucial for unraveling the design choices and technological nuances specific to the Cheyenne 1500 of the early '90s.

Crucial Components Decoded

Crucial Components Decoded

Each line, symbol, and annotation within the wiring diagram corresponds to a crucial component in the Cheyenne 1500's electrical system. From the ignition system to the lighting circuits, decoding these symbols is akin to translating a technical language. Professionals, armed with years of experience, can swiftly identify these components, while newcomers may find themselves immersed in a learning curve.

Connecting the Dots: Wires, Junctions, and Nodes

Connecting the Dots

The wiring diagram not only elucidates individual components but also illustrates how they interconnect. It's a visual narrative that showcases the journey of electricity through a network of wires, junctions, and nodes. Understanding these connections is akin to deciphering the Cheyenne 1500's electrical language, providing a holistic view of its functionality.

Behind the Scenes: Understanding Circuitry

Behind the Scenes

The wiring diagram peels back the curtain, offering a behind-the-scenes look at the intricate circuitry that powers the Cheyenne 1500. It's a glimpse into the technological choreography that ensures seamless communication between various electrical components. Professionals, armed with this knowledge, can navigate the complexities of circuitry with precision.

Color-Coding Demystified

Color-Coding Demystified

One of the visual cues within the wiring diagram is the color-coding of wires. This organizational strategy is not arbitrary; it serves a vital role in simplifying identification. Professionals can swiftly pinpoint specific circuits and components by decoding the color patterns, adding a layer of efficiency to diagnostic processes.

Electrical Troubleshooting Made Simple

Electrical Troubleshooting

For professionals engaged in maintenance and repairs, the 1990 GMC Cheyenne 1500 wiring diagram is an invaluable tool in the arsenal. When electrical issues arise, troubleshooting becomes a systematic process of referencing the diagram, identifying the problematic circuit, and isolating the root cause. This systematic approach reduces diagnostic time, making it an indispensable resource in the professional toolkit.

Empowering DIY Enthusiasts

Empowering DIY Enthusiasts

While professionals leverage the wiring diagram as a daily companion, it is equally empowering for DIY enthusiasts. Armed with a basic understanding of electrical systems and the guidance provided by the diagram, enthusiasts can undertake minor repairs and modifications with confidence. It transforms the garage into a learning laboratory, bridging the gap between curiosity and hands-on experience.

Mastering the Art of Modification: A Wiring Perspective

Art of Modification

For those inclined towards customization, the wiring diagram serves as a canvas for the artistic pursuit of modification. Whether installing aftermarket accessories or customizing lighting configurations, a deep understanding of the wiring system is paramount. This segment of the journey involves not only technical proficiency but also a touch of creativity, elevating the Cheyenne 1500 from a vehicle to a personalized masterpiece.

Ultimately, the 1990 GMC Cheyenne 1500 wiring diagram transcends its technical nature, becoming a bridge between automotive engineering and practical application. Its intricate details unfold a narrative of technological evolution, component intricacies, and the interconnected dance of electrical currents beneath the hood. Whether in the hands of a seasoned professional or a passionate DIY enthusiast, this diagram remains a guiding light, unraveling the mysteries and complexities within the electrical realm of the iconic Cheyenne 1500.

Another point of view about 1990 GMC CHEYENNE 1500 WIRING DIAGRAM.

1. The 1990 GMC Cheyenne 1500 wiring diagram serves as a critical tool for professionals in the automotive industry, providing an intricate visual representation of the vehicle's electrical system.

2. As professionals, we rely on the wiring diagram to understand the blueprint of the Cheyenne 1500's electrical infrastructure, decoding each symbol and line to identify crucial components.

3. This document becomes a chronicle of technological evolution, offering insights into the design choices and nuances specific to the early '90s automotive engineering.

4. Crucial components, from the ignition system to lighting circuits, are systematically decoded within the diagram, facilitating a comprehensive understanding of the vehicle's electrical anatomy.

5. Understanding the connections between wires, junctions, and nodes is paramount. The diagram provides a visual narrative, allowing professionals to trace the journey of electricity through the Cheyenne 1500's intricate network.

6. Delving into the diagram unveils the behind-the-scenes intricacies of circuitry, empowering professionals with a deep understanding of the technological choreography that powers the vehicle.

7. Color-coding within the wiring diagram demystifies wire identification, offering a quick and efficient means for professionals to pinpoint specific circuits and components during diagnostics.

8. When electrical issues arise, the wiring diagram becomes a go-to resource for troubleshooting. Its systematic approach reduces diagnostic time, aiding professionals in swift and precise repairs.

9. While professionals leverage the diagram for routine maintenance, it also serves as an invaluable resource for DIY enthusiasts, empowering them to undertake minor repairs and modifications with confidence.

10. For professionals engaged in customization, the wiring diagram becomes a canvas for the art of modification. This segment of the journey involves not only technical proficiency but also a touch of creativity, transforming the Cheyenne 1500 into a personalized masterpiece.

11. In conclusion, the 1990 GMC Cheyenne 1500 wiring diagram is more than a technical document; it's a guide, a chronicle, and a tool that bridges the gap between automotive engineering and practical application for professionals in the field.

Conclusion : Rev Up Your Ride: 1990 GMC Cheyenne 1500 Wiring Diagram Unveiled!.

So, dear readers, as we bid adieu to our exploration of the 1990 GMC Cheyenne 1500 wiring diagram, let's take a moment to appreciate the electrifying journey we've had under the hood. We've decoded the drama, connected the dots, and even uncovered the technicolor dream of wires – all with a touch of humor, because who said unraveling the mysteries of circuitry couldn't be entertaining?

As you venture back into the non-electrically charged realms of your daily life, armed with newfound insights into the Cheyenne 1500's wiring intricacies, remember that every vehicle has its own story to tell, and it often starts with a diagram. So, the next time you pop the hood, do it with a smirk, imagining the wires whispering their secrets. Until our next automotive escapade, keep your circuits charged and your sense of humor wired!

Question and answer Rev Up Your Ride: 1990 GMC Cheyenne 1500 Wiring Diagram Unveiled!

Questions & Answer :

Q: What information does the 1990 GMC Cheyenne 1500 wiring diagram provide?

  • 1. The wiring diagram offers a comprehensive visual representation of the vehicle's electrical system.
  • 2. It decodes the connections between various components, including ignition systems, lighting circuits, and more.
  • 3. Color-coding simplifies wire identification, making it easier for troubleshooting and repairs.

Q: How does the wiring diagram benefit DIY enthusiasts?

  • 1. DIY enthusiasts can use the wiring diagram as a guide for minor repairs and modifications.
  • 2. It empowers them with insights into the Cheyenne 1500's electrical system, fostering a deeper understanding.
  • 3. The diagram turns the garage into a learning space, bridging the gap between curiosity and hands-on experience.

Q: Is understanding the wiring diagram necessary for routine maintenance?

  • 1. Yes, professionals leverage the diagram for routine maintenance, ensuring systematic checks and repairs.
  • 2. It becomes a crucial resource for identifying and resolving electrical issues efficiently.
  • 3. The diagram offers a holistic view of the Cheyenne 1500's electrical anatomy, aiding in preventive maintenance.

Q: How does the wiring diagram contribute to troubleshooting electrical problems?

  • 1. The diagram provides a systematic approach to troubleshoot electrical issues by identifying problematic circuits and isolating root causes.
  • 2. Professionals use it as a go-to resource, reducing diagnostic time and facilitating precise repairs.
  • 3. Understanding the diagram is essential for a swift and effective resolution of electrical challenges.

Keywords : 1990 GMC CHEYENNE 1500 WIRING DIAGRAM

0 comments