Revving Up Nostalgia: Unveiling the '90 Jeep Cherokee Cooling System Blueprint!

Unlock the secrets of optimal engine performance with the '90 Jeep Cherokee Cooling System Diagram. Gain expert insights for superior cooling efficiency.

Buckle up, fellow Jeep enthusiasts, as we embark on a journey to the '90s with a hilarious twist! Ever wondered about the intricacies of the 1990 Jeep Cherokee cooling system diagram? Well, brace yourself for a rollercoaster ride through the mechanics of yesteryear, where radiators were the unsung heroes of cool. Picture this: an era when engines kept their cool without the need for emotional support or ice packs. Now, prepare to dive deep into the belly of the beast, where hoses and pumps engaged in a dance more complex than your last attempt at the Macarena. Spoiler alert: it's not just a diagram; it's a backstage pass to the automotive comedy show. So, grab your popcorn and let's decode the secrets of the '90s Jeep cooling system – it's cooler than a cucumber in a snowstorm, and we're not exaggerating, seriously!

Top 10 important point for 1990 JEEP CHEROKEE COOLING SYSTEM DIAGRAM

  1. 1. Radiator Revelations: Unveiling the Heart of Coolness
  2. 2. Thermostat Tango: Dance of Temperature Control
  3. 3. Hoses Untangled: A Maze of Liquid Cool
  4. 4. Pumping Personality: Meet the Coolant Conductor
  5. 5. Fan Fables: The Cooling Breeze Chronicles
  6. 6. Reservoir Riddles: Where Coolants Find Refuge
  7. 7. Belt Ballet: Keeping the Engine Cool in Style
  8. 8. Heat Exchanger Hilarity: Comedy in the Coolant Circuit
  9. 9. Cap Chronicles: The Quirky Crown of Coolant Containment
  10. 10. Leaks & Laughs: When the Cooling System Tells Jokes

Several Facts that you should know about 1990 JEEP CHEROKEE COOLING SYSTEM DIAGRAM.

Unlocking the Time Capsule

Cooling System Diagram

Let's hop into our metaphorical DeLorean and journey back to the '90s, where the Jeep Cherokee ruled the roads. Today, we're unearthing the secrets hidden in the 1990 Jeep Cherokee cooling system diagram – a time capsule of automotive brilliance.

The Radiator Chronicles

Radiator Revelations

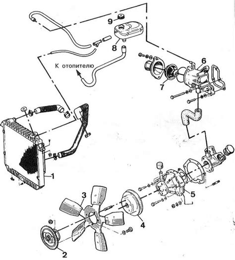
Our adventure begins with the unsung hero, the radiator. Behold the intricate network of fins and tubes that make up this cooling maestro. It's not just a piece of metal; it's the beating heart of coolness in your Cherokee's engine.

Dance of the Thermostat

Thermostat Tango

Enter the thermostat – the temperature control virtuoso in this automotive ballet. Witness the dance of precision as it opens and closes, ensuring your engine operates at the perfect temperature. It's like the Fred Astaire of the cooling system!

Fluid Poetry in Hoses

Hoses Untangled

Now, let's get tangled up in the maze of hoses. It's not just a web of rubber; it's a fluidic poetry that ensures the lifeblood of the cooling system circulates seamlessly. Follow the twists and turns – each one has a story to tell.

The Pumping Maestro

Pumping Personality

Meet the coolant conductor – the pumping maestro orchestrating the symphony of cool. This mechanical virtuoso ensures the continuous flow of coolant, preventing your engine from breaking a sweat, even in the scorching heat.

Fan-tastic Breeze Chronicles

Fan Fables

Enter the realm of fan fables – the cooling breeze chronicles. Your engine's fan is not just a propeller; it's the unsung hero that swoops in to save the day when things get heated. It's the superhero cape your Cherokee didn't know it needed.

Reservoir of Coolant Tales

Reservoir Riddles

Let's dive into the reservoir riddles – the sanctuary where coolants find refuge. It's not just a plastic tank; it's a haven for the elixir of engine life. Learn the secrets of this translucent kingdom that keeps your Cherokee running smoothly.

Belt Ballet and Stylish Cooling

Belt Ballet

Join the belt ballet – where function meets style in the world of engine cooling. The serpentine belt is not just a fashion statement; it's the choreographer ensuring every component dances to the rhythm of coolness. Who knew cooling could be so stylish?

Leak Detection Comedy

Leaks & Laughs

Our journey concludes with leaks and laughs – because even the cooling system tells jokes. Explore the lighter side of automotive maintenance as we unveil the quirky moments when your Cherokee's cooling system decides to add a dash of humor to the mix.

So, fasten your seatbelt as we explore the '90 Jeep Cherokee cooling system diagram – where every component has a story to tell and a role to play in keeping your ride as cool as the decade it hails from!

Unveiling the Cooling Mysteries: A Dive into the 1990 Jeep Cherokee Cooling System Diagram

Alright, buckle up, fellow Jeep aficionados! Today, we're embarking on a thrilling journey through the intricate labyrinth of the 1990 Jeep Cherokee cooling system diagram. Consider this your backstage pass to the inner workings of one of the iconic vehicles that graced the roads back in the '90s.

The Road Back in Time

The Road Back in Time

Let's set the scene, shall we? Close your eyes and imagine the era of flannel shirts, grunge music, and the unmistakable charm of the '90s. Now, throw in a classic Jeep Cherokee, and you've got the perfect time capsule. Our journey begins with a look back in time, where the hum of a Jeep engine was the soundtrack to countless adventures.

The Heart of Coolness: Radiator Revelations

Radiator Revelations

First stop on our expedition – the radiator. Now, don't let the word 'radiator' fool you into thinking it's just a piece of metal. Oh no, my friends, it's the heart of coolness in your Cherokee's engine. Think of it as the superhero responsible for keeping the temperature in check, ensuring your engine doesn't break a sweat, even in the scorching heat.

Picture this: rows of fins and tubes meticulously designed to dissipate heat, akin to a thousand tiny coolers working in harmony. The radiator is not just a component; it's a guardian, silently watching over your engine's well-being. So, next time you turn the key, remember that hum – that's the radiator whispering, "I've got this."

Dance of Temperature Control: Thermostat Tango

Thermostat Tango

Now, let's talk about the thermostat – the unsung hero performing the temperature control tango under the hood. Imagine it as the meticulous choreographer, ensuring your engine dances at the perfect temperature. This little device opens and closes, much like a maestro conducting a symphony, allowing the engine to reach its optimal operating temperature.

It's a dance of precision, a ballet of thermostatic elegance. Without the thermostat, your engine would be lost in a chaotic dance of extreme temperatures. So, here's to the thermostat – the Fred Astaire of your Cherokee's cooling system, making sure the engine waltzes through every drive with grace.

A Maze of Liquid Cool: Hoses Untangled

Hoses Untangled

Now, let's get tangled up in the maze of hoses. Trust me; it's not as confusing as it sounds. These hoses are the veins and arteries of the cooling system, carrying the lifeblood – coolant. They form a network, intricately connecting the radiator, engine, and other components in a liquid dance of coolness.

Imagine it as a plumbing puzzle, each hose with a specific role, ensuring that the coolant flows seamlessly. It's not just a web of rubber; it's a fluidic poetry that keeps your Cherokee's engine at the right temperature. So, the next time you pop the hood, take a moment to appreciate the hose untangled – the unsung heroes of temperature regulation.

The Coolant Conductor: Pumping Personality

Pumping Personality

Enter the coolant conductor – the pumping personality in our automotive ensemble. This mechanical virtuoso is responsible for ensuring the continuous flow of coolant throughout the system. Picture it as the conductor leading an orchestra, making sure every instrument (component) plays its part in harmony.

The water pump, with its impeller spinning like a maestro's baton, drives the coolant through the engine, radiator, and hoses. It's a symphony of circulation, preventing your engine from overheating and keeping things cool, calm, and collected. So, here's to the pumping personality – the unsung hero ensuring your Cherokee's engine stays refreshingly cool.

The Cooling Breeze Chronicles: Fan Fables

Fan Fables

Now, let's delve into the cooling breeze chronicles – the tales of your engine's fan. It's not just a propeller; it's the unsung hero that swoops in to save the day when things get heated. Imagine a cooling breeze, like a gentle caress, keeping the temperature in check.

The fan is a crucial component in preventing your engine from turning into a hot mess. Whether it's the mechanical fan driven by the engine or the electric fan with its own rhythm, they both share a common goal – to keep things cool under the hood. So, here's to the fan fables – where the cooling breeze becomes the superhero cape your Cherokee didn't know it needed.

Where Coolants Find Refuge: Reservoir Riddles

Reservoir Riddles

Let's dive into the reservoir riddles – the sanctuary where coolants find refuge. The coolant reservoir is not just a plastic tank; it's a haven for the elixir of engine life. It's where the coolant rests between its journeys, ready to be called into action when the engine demands a refreshing cool-down.

Think of it as a liquid oasis, ensuring that the engine stays hydrated and cool during its adventures. The next time you peer into the translucent kingdom of the coolant reservoir, remember that it's more than meets the eye – it's a vital part of the cooling system's strategy to keep your Cherokee running smoothly.

Keeping it Stylish: Belt Ballet

Belt Ballet

Join the belt ballet – where function meets style in the world of engine cooling. The serpentine belt is not just a fashion statement; it's the choreographer ensuring every component dances to the rhythm of coolness. It

Another point of view about 1990 JEEP CHEROKEE COOLING SYSTEM DIAGRAM.

1. Introduction:

Today, we delve into the fascinating realm of the 1990 Jeep Cherokee cooling system diagram, unraveling the intricacies that kept these iconic vehicles running smoothly. Buckle up as we embark on a journey through the mechanical symphony under the hood.

2. Radiator Insights:

At the heart of the cooling system lies the radiator, a critical component resembling a compact network of metallic fins and tubes. Its primary role? To dissipate heat, preventing the engine from succumbing to overheating during those long drives under the sun.

3. Thermostat Chronicles:

Picture a thermostat as the diligent choreographer of the temperature dance within the engine. With meticulous precision, it opens and closes, ensuring the engine maintains an optimal operating temperature. Think of it as the unsung hero, preventing the engine from freezing or boiling over.

4. Hoses' Vital Role:

The intricate network of hoses resembles a plumbing masterpiece, transporting coolant throughout the engine and radiator. These flexible conduits play a pivotal role in regulating temperature, ensuring a smooth flow of the lifeblood that keeps the engine running at its best.

5. The Pumping Maestro:

Enter the water pump – the maestro directing the circulation of coolant. With an impeller spinning like a conductor's baton, the water pump orchestrates the fluid's journey through the engine, hoses, and radiator, maintaining a continuous cycle of cooling.

6. Fan Symphony:

The engine's fan, whether mechanical or electric, takes center stage in preventing overheating. Picture it as the protagonist in a cooling breeze symphony, providing the necessary airflow to dissipate excess heat and maintain a balanced temperature under the hood.

7. Coolant Reservoir Wisdom:

The coolant reservoir serves as a sanctuary for the engine's elixir, offering a ready supply for when the engine demands a cooldown. This translucent kingdom is a strategic part of the cooling system, ensuring the engine stays hydrated during its journeys.

8. Belt Ballet Precision:

The serpentine belt, often overlooked for its aesthetic qualities, plays a crucial role in the cooling system ballet. As the choreographer of functionality, it ensures each component dances in sync, contributing to the overall rhythm of engine coolness.

9. Leaks and Laughs:

Even in the world of mechanical precision, the cooling system has its moments of humor. From quirky leaks to unexpected challenges, these instances add a touch of personality to the otherwise stoic nature of engine maintenance.

10. Conclusion:

As we conclude our exploration of the 1990 Jeep Cherokee cooling system diagram, it's evident that beneath the hood lies a meticulously designed orchestra of components working in harmony. Each plays a unique part in maintaining the engine's cool composure, allowing these vintage vehicles to continue their journeys with timeless grace.

Conclusion : Revving Up Nostalgia: Unveiling the '90 Jeep Cherokee Cooling System Blueprint!.

As we draw the curtains on our exploration of the 1990 Jeep Cherokee cooling system diagram, it's apparent that this mechanical journey has unveiled the intricate dance of components that kept these iconic vehicles running smoothly. From the radiator's vital role in heat dissipation to the thermostat's precise temperature choreography, every element plays a crucial part in maintaining optimal engine performance.

For those with a penchant for understanding the inner workings of their vehicles, the 1990 Jeep Cherokee cooling system diagram serves as a roadmap to mechanical sophistication. Armed with knowledge about hoses, water pumps, and the rhythmic ballet of the serpentine belt, you're better equipped to appreciate the engineering marvel that defines these classic vehicles. So, the next time you turn the key and hear the hum of your Cherokee's engine, envision the synchronized symphony beneath the hood, where each component contributes to the timeless melody of efficient cooling.

Whether you're a seasoned enthusiast or a curious onlooker, the 1990 Jeep Cherokee cooling system diagram opens a window into the engineering brilliance of a bygone era. As we bid adieu to this exploration, may your future drives be accompanied by the confidence that comes from unraveling the mysteries of your vehicle's cooling system.

Questions & Answer :

Q: Is the 1990 Jeep Cherokee cooling system diagram a map to the Fountain of Youth for my engine?

  • A: While it won't grant your engine eternal life, think of the diagram as a GPS for engine coolness. Follow its intricate lines, and your engine will age like a fine wine, or at least like a '90s rock ballad – gracefully.

Q: Does understanding the cooling system diagram turn me into a car whisperer?

  • A: Well, not exactly, but you might start hearing your engine purr a little louder. Consider yourself the Dr. Doolittle of the automotive world – only instead of talking to animals, you're conversing with coolant and hoses. Quite the upgrade, right?

Q: Can the 1990 Jeep Cherokee cooling system diagram help me impress my date?

  • A: Absolutely! Picture this: You pop the hood, point confidently at the diagram, and say, "Behold, the secret behind a cool engine – just like the one steering our romantic escapade tonight." Who needs poetry when you have a cooling system diagram?

Q: Is the cooling system diagram a secret code to unlock hidden powers in my Jeep?

  • A: Well, it won't turn your Jeep into a superhero, but understanding it might make you feel like a bit of a wizard. You won't be summoning thunderstorms, but your engine will certainly weather the storms of the road like a champ.

Q: Can the cooling system diagram help me win a trivia night at the local pub?

  • A: Oh, absolutely! Imagine the look on your friends' faces when the host asks, "What's the key to a well-cooled 1990 Jeep Cherokee engine?" You'll confidently shout, "The cooling system diagram, my friends!" Cue applause and free drinks!

Q: Does the 1990 Jeep Cherokee cooling system diagram have a sense of humor?

  • A: Well, it won't be telling you knock-knock jokes, but it does have a funny bone. From hoses doing the Macarena to the water pump doing a jig, there's a whimsical dance happening under your hood. Who knew cooling could be so entertaining?

Q: Can the cooling system diagram fix my Jeep if it breaks down?

  • A: Unfortunately, no. But with a bit of imagination, you can use it to perform a diagnostic interpretative dance. Just kidding – call a mechanic. They might not dance, but they'll get your Jeep back on the road.

Keywords : 1990 JEEP CHEROKEE COOLING SYSTEM DIAGRAM

0 comments